180*65*2,0 мм Пластина с анкерными отверстиями 11мм оцинкованная
Описание:
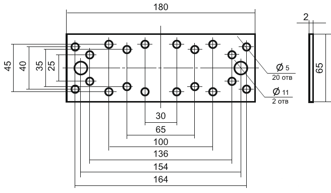
Изделие выполнено из оцинкованной холоднокатаной стали 08ПС высокого качества, толщина листа которой составляет 2 мм. В пластине выполнены универсальные отверстия диаметром 5 мм и анкерные отверстия диаметром 11 мм. Изделие находит свое применение для стяжки стропил, в соединении деревянных балок и стоек, а также при их креплении к бетонным и стальным каркасам.
Габаритные характеристики

Покупая крепежные изделия в интернет-магазине "Металлинк", Вы можете быть уверены в надежности соединений и долговечности вашей строительной конструкции.







